Features
◇ 2.5 bellows suction cup
◇ Good wear resistance and oil resistance.
◇ High tensile strength
◇ PU material, long life time. It lasts 2-4 times longer than other materials.
Applications
◇ Workpiece with uneven surface
◇ Smooth steel plate
| How to order | |||
| SXP 20 UG -G1F ① ② ③ ④ | |||
| ① Series | ② Diameter | ③ Material & Hardness | ④ Connection thread |
| SXP | 20 - φ20mm 25 - φ25mm 30 - φ30mm 35 - φ35mm 40 - φ40mm 50 - φ50mm 70 - φ70mm | U - PU UD - PU UG - PU | Nil -Suction cup alone GIF -Gl/8 Female thread G1M -Gl/8 Male thread G2F -Gl/4 Female thread G2M -Gl/4 Male thread G3F -G3/8 Female thread G3M -G3/8 Male thread |
| Selection | ||||||
| Model/ Connection thread | G1F | G1M | G2F | G2M | G3F | G3M |
| SXP20 - 40 | ● | ● | - | - | - | - |
| SXP50 | - | - | ● | ● | ● | ● |
| SXP70 | - | - | - | - | ● | ● |
◇Note: "●"- standard, in stock. "—"-unavailable.
| Technical parameters | ||||
| Model | Pull-out force (N) | Inner volume (cm³) | Min. curve radius of workpiece (mm) | Recommended hose dia. (mm) |
| SXP20 | 14.0 | 2.0 | 24.0 | 6.0 |
| SXP25 | 22.0 | 3.0 | 31.0 | 6.0 |
| SXP30 | 31.0 | 5.0 | 30.0 | 6.0 |
| SXP35 | 43.0 | 9.0 | 39.0 | 6.0 |
| SXP40 | 56.5 | 11.0 | 45.0 | 6.0 |
| SXP50 | 88.0 | 21.0 | 55.0 | 10.0 |
| SXP70 | 173.0 | 55.0 | 80.0 | 10.0 |
◇ Note: Testing vacuum level -60kPa. Workpiece with smooth and clean surface. The data of pull-out force as above are
figured out without considering safety factor. The data may be different according to different workpiece surfaces.

| Model/ Size | D | H | G | h | LG | Y | S |
| SXP20-G1F | 21.0 | 14.8 | G1/8 | 8.0 | 8.0 | 4.5 | 13.0 |
| SXP20-G1M | 21.0 | 14.8 | G1/8 | 7.8 | 7.8 | 4.5 | 13.0 |
| SXP25-G1F | 26.0 | 18.9 | G1/8 | 8.0 | 8.0 | 7.3 | 13.0 |
| SXP20-G1M | 26.0 | 18.9 | G1/8 | 7.8 | 7.8 | 7.3 | 13.0 |
| SXP30-G1F | 30.0 | 21.3 | G1/8 | 8.0 | 8.0 | 8.0 | 13.0 |
| SXP30-G1M | 30.0 | 21.3 | G1/8 | 7.8 | 7.8 | 8.0 | 13.0 |
| SXP35-G1F | 35.0 | 25.3 | G1/8 | 10.0 | 10.0 | 9.8 | 17.0 |
| SXP35-G1M | 35.0 | 25.3 | G1/8 | 12.0 | 12.0 | 9.8 | 17.0 |
| SXP40-G1F | 40.0 | 28.4 | G1/8 | 10.0 | 10.0 | 10.6 | 17.0 |
| SXP40-G1M | 40.0 | 28.4 | G1/8 | 12.0 | 12.0 | 10.6 | 17.0 |
| SXP50-G2F | 50.0 | 35.5 | G1/4 | 13.0 | 13.0 | 13.4 | 24.0 |
| SXP50-G2M | 50.0 | 35.5 | G1/4 | 17.0 | 17.0 | 13.4 | 24.0 |
| SXP50-G3M | 50.0 | 35.5 | G3/8 | 13.0 | 13.0 | 13.4 | 24.0 |
| SXP50-G3F | 50.0 | 35.5 | G3/8 | 18.0 | 18.0 | 13.4 | 24.0 |

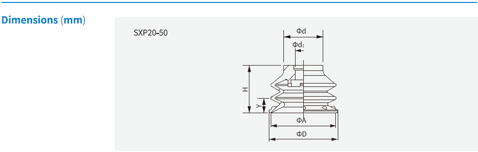
| Model/ Size | D | H | A | d | d1 | Y |
| SXP20 | 21.0 | 14.8 | 20.0 | 12.0 | 5.0 | 4.5 |
| SXP25 | 26.0 | 18.9 | 24.4 | 15.4 | 5.0 | 7.3 |
| SXP30 | 30.0 | 21.3 | 28.0 | 16.5 | 5.0 | 8.0 |
| SXP35 | 35.0 | 25.3 | 33.0 | 21.0 | 6.5 | 9.8 |
| SXP40 | 40.0 | 28.4 | 37.5 | 22.0 | 6.5 | 10.6 |
| SXP50 | 50.0 | 35.5 | 47.0 | 27.5 | 10.5 | 13.4 |

| Model/ Size | D | H | G | h | LG | Y | S |
| SXP70-G3F | 70.0 | 60.0 | G3/8 | - | 11.5 | 18.6 | 22.0 |
| SXP70-G3M | 70.0 | 58.5 | G3/8 | - | 10.0 | 18.6 | - |
| Item | Model | Applicable suction cup | |
| F- Female thread | M - Male thread | ||
| Fitting for suction cup | PJS-G1F-SF1-EW | PJS-G1M-SF1-EW | SXP20、25、30 |
| PJS-G1F-SF2-EW | PJS-G1M-SF2-EW | SXP35、40 | |
| PJS-G2F-SF3-EW | PJS-G2M-SF3-EW | SXP50 | |
| PJS-G3F-SF3-EW | PJS-G3M-SF3-EW | SXP50 | |